Let’s get to the point

Septodont introduces its range of Septoject needles and explains how it avoids any manufacturing defects.

Using needles is a part of everyday life for a dentist when giving local anaesthesia. But are all needles the same and how do you choose?

Often choice is based on what you learned or used in dental school; what your practice manager orders in; what you think is most suitable for the procedure and price.

Studies over the years show that most patients cannot tell the difference between a 25 or 30 gauge needle. But they will almost certainly know if the needle is blunt, bends or hooks! 

The initial choice of needle really needs to be based on injection type and depth of penetration. After that it really is important that you take a look at the quality and decide what sort of needle would you personally be happy to be injected with. It really is true that not all needles are the same! 

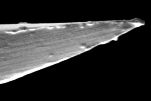
An independent study (Sanchez and Fernandez, 2005 and 2007), performed an electron microscope scan to take a close look at seven commonly used brands of disposable dental needles. It revealed manufacturing defects at the needle point, such as burrs, jagged edges and blunt points. It concluded that Septodont’s Septoject needles were the best quality – see for yourselves! 

Which needle would you like to be injected with – any of these?

You and your patients would probably prefer these, from Septodont: 

  • Septoject needle

What makes Septoject needles so special? 

  • They are made from high grade surgical stainless-steel tubing to reduce risk of breakage (ISO 9626)
  • Every single needle is tested with a traction test before release
  • Excellent tissue penetration is achieved with a high quality triple-bevel needle (or scalpel blade) with polished and siliconised cannula 
  • Bevel indicated to ensure correct orientation of the bevel
  • Made with a plastic hub using a new adhesive system that is more environmentallyfriendly 
  • Sterilised by gamma-rays.

Types 

Gauge

The gauge refers to the outside diameter of the needle. In the UK the standard gauges used are 27 and 30.

The larger the number, the narrower the needle27 gauge needles are 0.4 mm in diameter and 30 gauge have a diameter of 0.3 mm. 

Length

Needle length tends to vary between ultra short, short and long. Choice will depend on the sort of injection required.

This, combined with the gauge, therefore ensures that there’s a needle for every situation, from an inferior alveolar block to a superperiosteal infiltration. 

As well as the standard Septoject needles, Septodont also offers more choice with its Septoject XL needles, with the 40% larger inner bore, and its Evolution needles with the scalpel blade.

Of course, Ultra Safety Plus Twist is fitted with Septoject needles, so there is no compromise.

septoject
Model of the three Septodont needles: Septodont XL, Septoject Evolution and Septoject (left to right)

Click below to get an idea as to what goes into making Septodont’s superior dental needles.


For further information on Septodont’s needles or any other Septodont equipment, visit www.septodont.co.uk.

References

Sanchez D and Fernandez R (2005) Microscopic evaluation of dental needles. The dental surgeon of France 1206

Sanchez D and Fernandez R (2007) Assessing dental needles. The Dentist January: 66-8

Favorite
Get the most out of your membership by subscribing to Dentistry CPD
  • Access 600+ hours of verified CPD courses
  • Includes all GDC recommended topics
  • Powerful CPD tracking tools included
Register for webinar

Stay updated with relevant information about this webinar

Share
Add to calendar